Holley 0-90670 Off-Road Truck Avenger Carburetor
Albertan Owned
Financing Available
Top-Quality Suppliers
Description
Resources
Installation InstructionsSpecifications
| Barrel | Four |
| Booster Type | Annular / Straight |
| Carburetor Type | 4150 |
| CFM | 670 |
| Choke | Electric |
| Description_ASC | Holley Performance Emission Code 3: This part is legal for sale and use on Uncontrolled (Non-Emissions Controlled) Vehicles and Racing Use Only Vehicles. The following vehicles are considered Uncontrolled (Non-Emissions Controlled) Vehicles: 1965 and older U.S. manufactured California Certified vehicles/1967 and older U.S. manufactured Federally Certified vehicles/1967 and older Foreign manufactured vehicle. The following vehicles are considered Racing Use Only Vehicles: Racing Use Only Vehicles are vehicles that are used exclusively for competition and that are not registered and that may never be used on the street. WARNING: It is against the law to install this part on an Emissions Controlled Vehicle. The following vehicles are considered Emissions Controlled Vehicles: 1966 and newer U.S. manufactured California Certified vehicles/1968 and newer U.S. manufactured Federally Certified vehicles/1968 and newer Foreign manufactured vehicle |
| Description_ASM | The Off-Road Truck Avenger is designed specifically for off-road applications. The unique fuel metering block eliminates fuel spillover through the boosters at extreme angles allowing for 40 degree climbing; 30 degree side hill maneuvers and nose-down descents to avoid hesitations; stalling and flooding typically associated with carbs in an off-road environment. The Truck Avenger features a quick change vacuum secondary for easy fine tuning; four vacuum ports for all necessary vacuum accessories; factory preset electric choke for easy start ups; and a built-in fuel filter. The 670 CFM Off-Road Truck Avenger is the perfect carburetor for small blocks or stock big block engines. |
| Description_DEF | Carburetor |
| Description_DES | Off-Road Truck Avenger Carburetor |
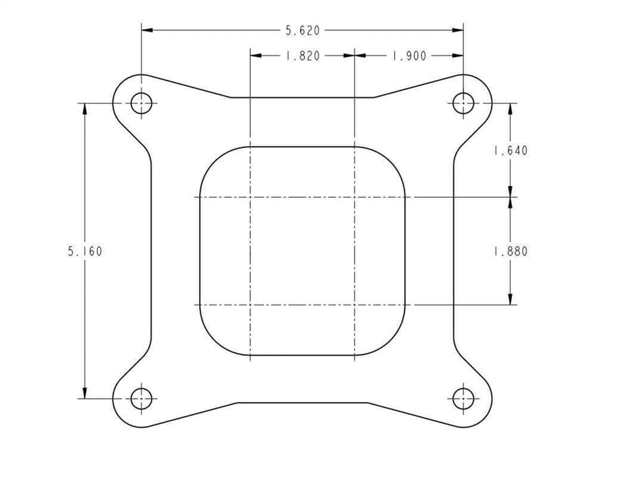
| Description_EXT | Off-Road Truck Avenger Carburetor; 4 bbl.; 670 cfm; Model 4150; Vacuum Secondary; Electric Choke; Gasoline; Single Fuel Inlet; 1.563 in. Throttle Bore; Gold Dichromate Finish; |
| Description_FAB | 100% Wet Flow Tested By Holley Technicians |
| Description_FAB | Arrives Ready To Run |
| Description_FAB | Factory Preset Electric Choke For Easy Startups |
| Description_FAB | Gold Dichromate Finish For Extreme Off Road Environments |
| Description_FAB | Limited Lifetime Warranty Defects In Material/Workmanship |
| Description_FAB | Metering Block For Flood Free Op. 40 deg. Climb/30 deg. Side Hill |
| Description_FAB | One Piece Off-Road Vent Tube Eliminates Fuel Spillover |
| Description_FAB | Optimized Off-Road Calibration That Works Out-Of-The-Box |
| Description_FAB | Quick Change Vacuum Housing Cap To Tune For Performance/Fuel Econ |
| Description_FAB | Single Feed Fuel Inlet For Ease Of Installation |
| Description_INV | 4150C 670CFM TRUCK AVENGER |
| Description_LAB | Proposition 65 |
| Description_MKT | The Off-Road Truck Avenger is designed specifically for off-road applications. The unique fuel metering block eliminates fuel spillover through the boosters at extreme angles allowing for 40 degree climbing, 30 degree side hill maneuvers and nose-down descents to avoid hesitations, stalling and flooding typically associated with carbs in an off-road environment. The Truck Avenger features a quick change vacuum secondary for easy fine tuning; four vacuum ports for all necessary vacuum accessories; factory preset electric choke for easy start ups; and a built-in fuel filter. The 670 CFM Off-Road Truck Avenger is the perfect carburetor for small blocks or stock big block engines. |
| Description_MKT | The off–road truck avenger is designed specifically for off–road applications. The unique fuel metering block eliminates fuel spillover through the boosters at extreme angles allowing for 40 degree climbing, 30 degree side hill maneuvers and nose–down descents to avoid hesitations, stalling and flooding typically associated with carbs in an off road environment. The 470 CFM off–road truck avenger is the perfect carburetor for 4 cylinder, V–6, and inline 6 cylinder engines. Viton(R) is a registered trademark of DuPont Performance Elastomers. |
| Description_SHO | Carburetor |
| Emission | Without EGR |
| finish | Dichromate Gold |
| Flange | Square Bore |
| Fuel Inlet | Single |
| Fuel Type | Gasoline |
| height | 7.8 |
| length | 12.3 |
| LTL | N |
| Material | Zinc |
| Primary Main Jet | 68 |
| Primary Power Valve | 6.5 |
| Secondary Main Jet | 89 |
| Secondary Type | Vacuum |
| Supercharged Application | No |
| Throttle Bore | 1.563 in. |
| Type | Automotive |
| Usage | Street/Strip |
| Vacuum Port Quantity | 1 timed (spark); 2 full; 1 PCV |
| WARNING CA Proposition 65 | Yes |
| WARNING CA Proposition 65 Message | WARNING: Cancer and Reproductive Harm - www.P65Warnings.ca.gov |
| weight | 9.96 |
| width | 11.2 |